常州亿景泰机电有限公司
Changzhou Yijingtai Electromechanical Co., Ltd
首页
关于我们
关于我们
公司介绍
厂房厂貌
资质证书
电永磁制动器
电永磁制动器
42HB(5mm)
42HF(5mm)
57HB(8mm)
57HM(8mm)
57HT(8mm)新
60HB(8mm)
60HB(8mm)新
86HB(14mm)
86HB(14mm)新
应用领域
应用领域
机械制造
纺织设备
冶金工业
石油化工
汽车工业
造纸印刷
建筑工程
烟草机械
新闻中心
新闻中心
公司新闻
行业资讯
技术问答
联系我们
15295138047
首页
关于我们
电永磁制动器
应用领域
新闻中心
联系我们
Product Center
产品中心
电永磁制动器
42HB(5mm)
42HF(5mm)
57HB(8mm)
57HM(8mm)
57HT(8mm)新
60HB(8mm)
60HB(8mm)新
86HB(14mm)
86HB(14mm)新
联系我们
严东山
15295138047
常州市武进区洛阳镇戴洛111号
型号:
42HB(5mm)
分类:
42HB(5mm)
品牌:
亿景泰
热线:
15295138047
返回列表
联系我们
产品详情
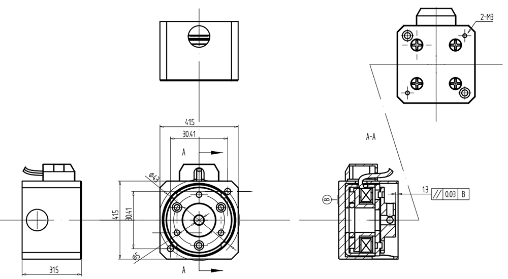
技术要求:
1.所有加工面粗糙度Ra1.6;
2.加工后锐角去毛刺;
3.未注倒角0.5*45°;
4.表面有镀层时应无色差、气泡、光滑;
5.未注公差按GB/T1804- 2000:m级,未注形位公差按GB/T1184-1996执行。
技术参数:
工作电压
VDC
24
保持转矩
N.m
0.7+10%
功率
W
3.7
工作电流
A
0.17
最高转速
RMP
1K
响应时间
MS
50
绝缘等级
B
上一个:
没有了!
下一个:
没有了!